


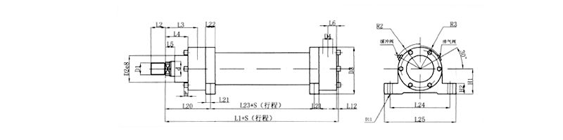
代號\缸徑(mm) |
40 |
50 |
63 |
80 |
100 |
125 |
140 |
160 |
180 |
200 |
220 |
250 |
280 |
320 |
360 |
400 |
d |
22/ 28 |
28/ 36 |
36/ 45 |
45/ 6 |
56/ 70 |
70/ 90 |
90/ 100 |
100/ 110 |
110/ 125 |
125/ 140 |
140/ 160 |
160/ 180 |
180/ 200 |
200/ 220 |
220/ 250 |
250/ 280 |
D11 |
11.5 |
11.5 |
14 |
18 |
22 |
26 |
30 |
33 |
39 |
39 |
45 |
52 |
52 |
62 |
62 |
70 |
L1 |
226 |
234 |
262 |
275 |
325 |
382 |
420 |
475 |
515 |
540 |
635 |
659 |
744 |
815 |
890 |
980 |
L6 |
32 |
32 |
27.5 |
37.5 |
32.5 |
37.5 |
42.5 |
50 |
50 |
50 |
75 |
75 |
100 |
110 |
120 |
140 |
L20 |
106.5 |
110.5 |
127 |
135 |
165 |
192 |
207.5 |
232.5 |
250 |
260 |
307 |
320 |
369.5 |
400 |
435 |
480 |
L21 |
12.5 |
12.5 |
15 |
25 |
25 |
30 |
32.5 |
37.5 |
40 |
45 |
47 |
50 |
64.5 |
60 |
65 |
70 |
L22 |
30 |
35 |
40 |
50 |
55 |
60 |
65 |
75 |
80 |
90 |
94 |
100 |
120 |
120 |
130 |
140 |
L23 |
55 |
57 |
70 |
55 |
75 |
90 |
105 |
120 |
135 |
145 |
166 |
174 |
165 |
200 |
220 |
240 |
L24 |
110 |
130 |
150 |
170 |
205 |
255 |
280 |
330 |
360 |
385 |
445 |
500 |
530 |
610 |
660 |
750 |
L25 |
135 |
155 |
180 |
210 |
250 |
305 |
340 |
400 |
440 |
465 |
530 |
600 |
630 |
730 |
780 |
880 |
H1 |
45 |
55 |
65 |
70 |
85 |
105 |
115 |
135 |
150 |
160 |
185 |
205 |
225 |
255 |
280 |
320 |
H2 |
26 |
31 |
37 |
42 |
52 |
60 |
65 |
70 |
80 |
85 |
95 |
110 |
125 |
140 |
150 |
170 |